ЭТАПЫ РАБОТЫ НАД ПРОЕКТОМ

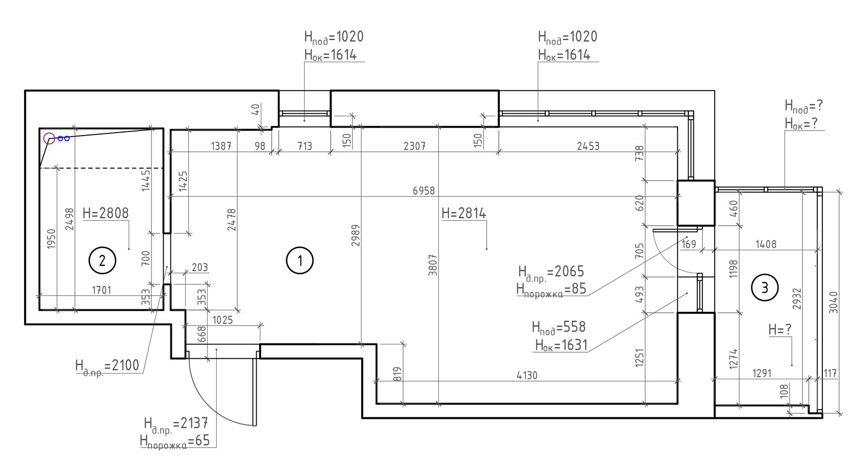
Так будет выглядеть обмерный план вашего помещения.

После получения заявки на сайте, я вам звоню, и мы обсуждаем суть задачи. На этом этапе происходит понимание, что нужно будет делать.
Далее мы встречаемся на объекте, для того чтобы конкретизировать задачу, обсудить будущий интерьер и сделать обмерный план помещения.
По итогу выбранного вами тарифа я составлю договор. После подписания договора обеими сторонами, мы переходим к следующему (очень важному) этапу - разработке планировочных решений. На этом этапе закладывается основа будущего интерьера.
По результатам полученных замеров я смогу составить четкое техническое задание по работам над вашим объектом, а также индивидуальное коммерческое предложение.

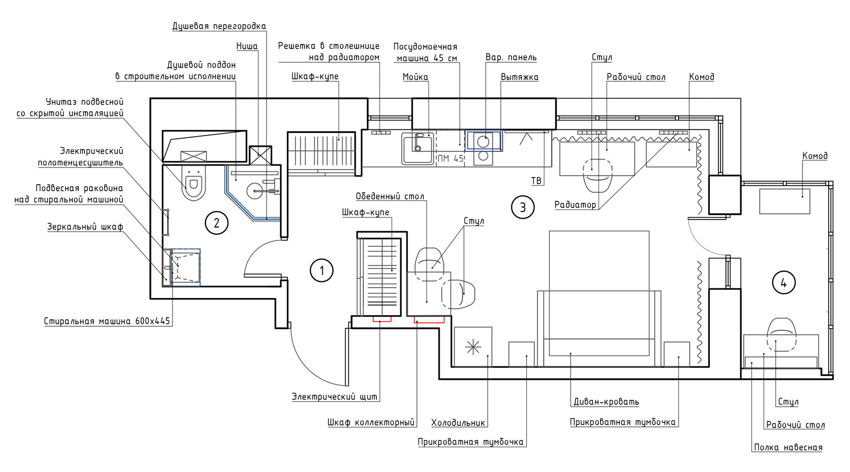
Пример утвержденного планировочного решения.

После подбора мебели я начинаю готовить коллажи по помещениям. Коллажи нужны для понимания концепции дизайна интерьера, цветовых решений, материалов, вариантов мебели и решений по свету.
Далее я начинаю работу над эскизным проектом - выполняю разработку основных чертежей без детализации, развёрток помещений и спецификаций.

Пример коллажа.

Параллельно занимаюсь поиском мебели в интернете и её утверждением с вами. На этом этапе также возможны совместные поездки по салонам-магазинам с целью выбора мебели и оборудования (в зависимости от выбранного тарифа).
Переходим к визуализации. Я подготовлю фотореалистичную 3D визуализацию с утверждённой мебелью (если выбран тариф с этим этапом). Визуализация нужна для полного понимания того, что получится в итоге (фотореалистичная 3D картинка).

Пример визуализации.

После этапа визуализации у вас на руках будет альбом чертежей - полный дизайн-проект, который состоит из 3-х основных частей:
1) непосредственно чертежей для производства строительных работ;
2) визуальной части (коллажи, визуализации);
3) ведомостей и спецификаций.
Конечным этапом в работе над вашим интерьером будет комплектация объекта чистовыми материалами, сантехникой, мебелью и оборудованием (смотреть состав работ комплектации).

Пример фотосъемки со стилизацией.

По готовому дизайн-проекту можно начинать работу. Также на этом этапе начинается мой авторский надзор за реализацией дизайн-проекта (если вы выбрали соответствующий тариф). Выезд не менее 1 раза в неделю, если требуется, то больше. Авторский надзор нужен для полного контроля соответствия проектных решений тому, что делается строителем в реальности. Это касается как общего, так и частного (вплоть до мелких деталей).